
类别 | 压力控制调节阀 | 差压控制调节阀 | ||||||
阀后压力调节阀 | 阀前压力调节阀 | 差压上升阀关闭型 | 差压上升阀开启型 | |||||
硬密封 | 软密封 | 硬密封 | 软密封 | 硬密封 | 软密封 | 硬密封 | 软密封 | |
型号 | V230D01 | V231D01 | V230D02 | V231D02 | V230D03 | V231D03 | V230D04 | V231D04 |
规格 | DN15~200 | |||||||
材料代号 | C(WCB) | P(304) | R(316) | |
主要 零件 | 阀体 | WCB(ZG230-450) | ZG1Cr18Ni9Ti(304) | ZG1Cr18Ni12Mo2Ti(316) |
阀芯,阀座 | 1Cr18Ni9Ti(304) | 1Cr18Ni9Ti(304) | 1Cr18Ni12Mo2Ti(316) | |
阀杆 | 1Cr18Ni9Ti | 1Cr18Ni9Ti | 1Cr18Ni12Mo2Ti | |
膜片 | EPDM或FKM夹纤维 | |||
膜盖 | A3钢镀锌 | |||
填料 | 聚四氟乙烯,柔性石墨 | |||
弹簧 | 60Si2Mn | |||
公称通径DN(mm) | 20 | 25 | 32 | 40 | 50 | 65 | 80 | 100 | 125 | 150 | 200 | ||||
额定流量系数Kv | 6.3 | 8 | 16 | 20 | 32 | 50 | 80 | 125 | 160 | 320 | 450 | ||||
噪音衡量系数Z值 | 0.6 | 0.6 | 0.55 | 0.55 | 0.5 | 0.5 | 0.45 | 0.4 | 0.35 | 0.3 | 0.2 | ||||
允许压差 | 1.6(MPa) | 1.6 | 1.5 | 1.2 | 1.0 | ||||||||||
4.0(MPa) | 2.0 | 1.5 | 1.2 | 1.0 | |||||||||||
公称压力(MPa) | 1.6 2.5 4.0 | ||||||||||||||
调节精度(%) | ±5 | ||||||||||||||
工作温度(℃) | 液体≤140;气体≤80;冷凝器≤200;冷凝器和散热片≤350;冷凝器和加长件≤300; | ||||||||||||||
适用介质 | 执水,气体,蒸汽,低粘度介质 | ||||||||||||||
压力平衡元件 | 波纹管 | 滚动膜片 | |||||||||||||
允许泄漏量 | 硬密封(L/h) | ≤4×10-4×阀额定容量 | |||||||||||||
软密封 | 10气泡/min | 20气泡/min | 40气泡/min | ||||||||||||
最高工作压力MPa | 公称压力(△Pmax及工作压力与工作温度的关系) | ||||||||||||||
型 号 | V230D01(D03) V231D01(D03) | V230D02(D04) V231D02(D04) | ||||||
有效面积cm2 | 32※ | 80※ | 250 | 630 | 32※ | 80※ | 250 | 630 |
压力设定范围MPa | 0.3~1.2 | 0.1~0.6 | 0.015~0.15 | 0.005~0.035 | 0.3~1.1 | 0.1~0.5 | 0.015~0.12 | 0.005~0.035 |
0.8~1.6 | 0.05~0.3 | 0.01~0.07 | 1.0~1.6 | 0.05~0.25 | 0.01~0.06 | |||
保证压力正常工作最小压差△P MPa | ≥0.05 | ≥0.04 | ≥0.01 | ≥0.05 | ≥0.05 | ≥0.04 | ≥0.01 | ≥0.05 |
允许上,下膜室间最大压差MPa | 2.0 | 1.25 | 0.4 | 0.15 | 2.0 | 1.25 | 0.4 | 0.15 |
行程mm | 18 | 18 | 23 | 23 | 18 | 18 | 23 | 23 |
控制管线,接头 | 铜管或钢管10×1;卡套式接头R1/4" | |||||||

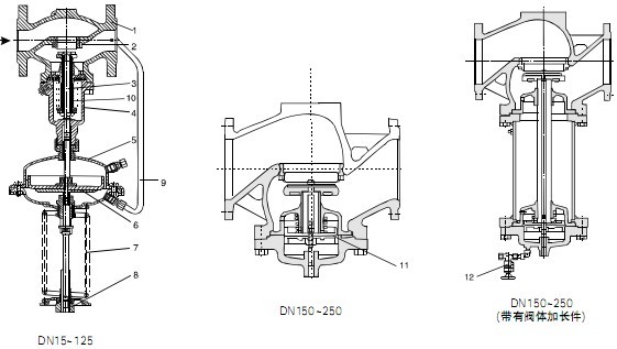
1 | 阀体 | 2 | 阀座 | 3 | 阀轴 | 4 | 阀盖 | 5 | 膜盖 | 6 | 膜片 |
7 | 弹簧 | 8 | 调节螺母 | 9 | 导压管 | 10 | 波纹管 | 11 | 平衡膜片 | 12 | 充注阀 |

公称通径DN(mm) | 15 | 20 | 25 | 32 | 40 | 50 | 65 | 80 | 100 | 125 | 150 | 200 |
L(mm) | 130 | 150 | 160 | 180 | 200 | 230 | 290 | 310 | 350 | 400 | 480 | 600 |
B(mm) | 212 | 212 | 238 | 238 | 240 | 240 | 275 | 275 | 380 | 380 | 295 | 325 |

有效面积cm2 | 32 | 80 | 250 | 630 | |
ΦR(mm) | 172 | 172 | 263 | 380 | |
H | D01(D03) | 435 | 430 | 470 | 520 |
D02(D04) | 440 | 435 | 440 | 520 | |
![]()